Producten
Kwaliteit eerste klant vooral innovatie aangedreven
J&W - Producten
BMW Spoorverbreders Adapter
  • BMW Spoorverbreders AdapterBMW Spoorverbreders Adapter
  • BMW Spoorverbreders AdapterBMW Spoorverbreders Adapter

BMW Spoorverbreders Adapter

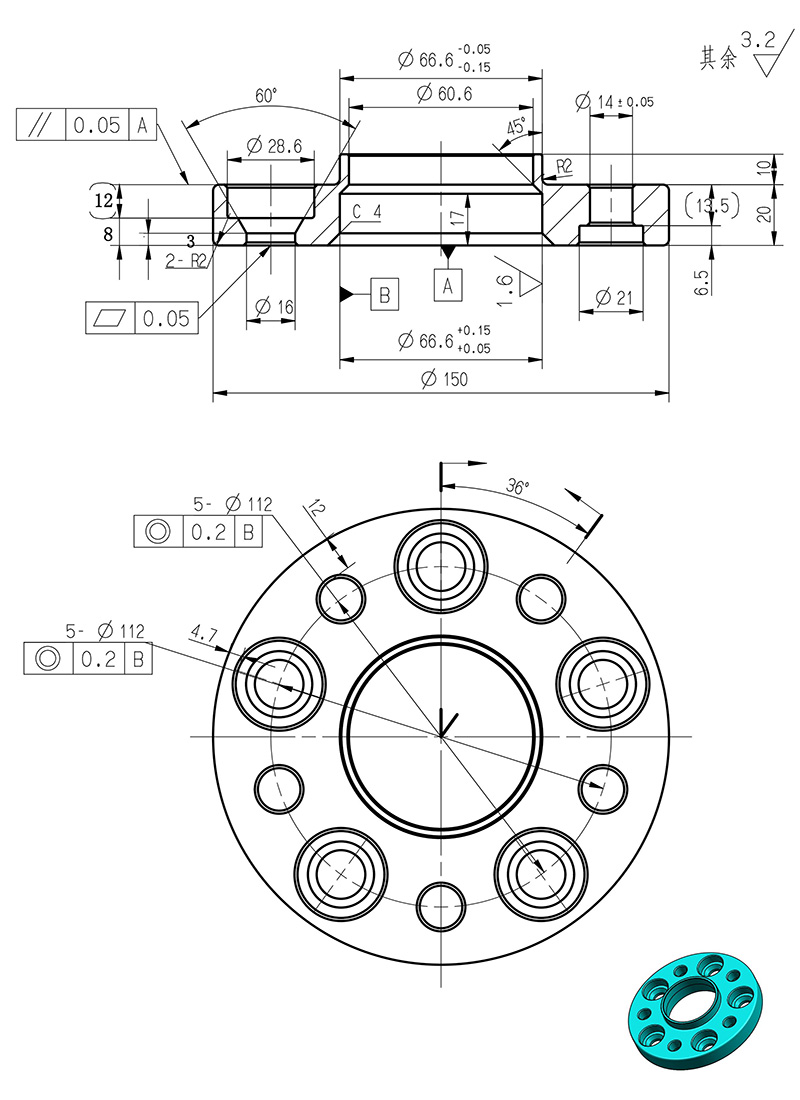
Wij J&W Automotive Parts Co., Ltd. hebben meer dan tien jaar ervaring in de productie van wielafstandhouders, en we bezitten drie smeedmachines van 800 ton en 40 bewerkingscentra. Zowel nieuwe als bestaande klanten zijn van harte welkom om contact met ons op te nemen voor vragen. We ondersteunen ook ODM en kunnen wielafstandhouders aanpassen aan uw vereisten.

Voor BMW wielafstandhouders hebben adapters twee verschillende typen wielafstandhouders, de ene is de wielafstandhouder met de verlengde bouten en de andere is de wielafstandhouder met de insteekmoeren. Waarom zo, want het is maar net welke dikte je wilt. Het is gemakkelijk te begrijpen, de hoogte van de insteekmoer is ongeveer 18 mm, dus het kan zijn dat deze niet in het 10 mm wielafstandsstuk past. Dus bij een dikte van minder dan 20 mm kunnen we het wielafstandsstuk alleen produceren met de verlengde bouten, en dikker dan 20 mm raden we u aan het type inzetstuk te kiezen, dat is veiliger. En voor BMW hebben drie verschillende draadspoed, M12x1.5, M14x1.5 en M14x1.25, je moet dit eerst controleren. En normaal gesproken is de PCD 5x112 en de middenboringdiameter 66,6. Een oud type is anders en moet u eerst controleren.

Onze fabriek kan ook produceren volgens de door u aangeleverde tekeningen en wij ondersteunen maatwerk. We bieden twee materiaalopties, 6061 en 7073, en het spuitgietproductieproces garandeert een hoge sterkte en weerstand tegen scheuren.

Hottags:
Gerelateerde categorie
Stuur onderzoek
Contact informatie
  • Adres

    No.539 Guangyi Road, Guanhaiwei-stad, Cixi, Ningbo, Zhejiang, China

  • Tel

Voor vragen over adapters van wielafstand, wielwielmoeren, wielnokkenbouten of prijslijst, laat uw e -mail aan ons over en we nemen binnen 24 uur contact met ons op.
X
We gebruiken cookies om u een betere browse-ervaring te bieden, het siteverkeer te analyseren en de inhoud te personaliseren. Door deze site te gebruiken, gaat u akkoord met ons gebruik van cookies. Privacybeleid
Afwijzen Accepteren